Search
Close this search box.

1700V 600A IGBT Module,Chopper, E6 Package, with FWD and NTC

  • 1700V Trench Gate & Field Stop Structure for superior performance
  • Low Switching Loss for improved energy efficiency
  • High Short Circuit Capability (up to 10μs withstand time)
  • Positive Temperature Coefficient for stable operation
  • High Reliability with integrated FWD and NTC
SKU HCG600FC170D3K4 Category

Description

The HCG600FC170D3K4 is a high-performance 1700V 600A IGBT module designed for demanding power electronics applications. Featuring an E6 package with integrated free-wheeling diode (FWD) and NTC thermistor, this module offers exceptional efficiency and reliability. Built with an advanced 1700V trench gate and field stop structure, it ensures low switching losses and high short circuit capability, making it ideal for industrial and renewable energy systems.

Maximum Ratings

Parameter Symbol Condition Value Unit
Collector-emitter voltage VCES VGE=0V, Tvj=25℃ 1700 V
DC collector current lc Tc=110℃,Tvjmax=175℃ 600 A
Peak collector current ICM tp=1ms 1200 A
Gate-emitter peak voltage VGES ±20 V
Total power dissipation Ptot Tc=25℃,Tvjmax=175℃ 3660 W
Repetitive peak reversevoltage VRRM Tvj=25℃ 1700 V
Continuous DC forward current IF 600 A
Repetitive peak forward current IFRM tp=1ms 1200 A
Pt-value 12t VR=0V,tp=10ms,Tvj=125℃ 59000 A2s
IGBT short circuit withstand time tpsc 10 μs
Maximum junction temperature Tvjmax 175
Operating junction temperature Tvjop -40~150
Storage temperature Tstg -40~125

Applications

  • Chopper Applications
  • Wind Power Converters

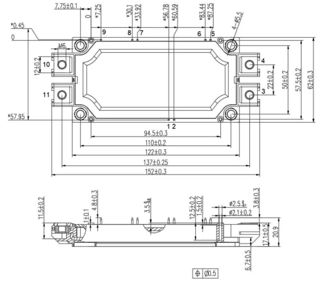
Dimensions (mm)

Circuit Diagram

 

Downloads

Related Products

HCG100FL65E2A

TALK TO OUR EXPERT​

  • We will contact you within 12 hours
  • Don’t worry, we hate spam too!
  • 20

    Years of experience

    50+

    Countries & Areas

    500 +

    Customers

    30,000

    ㎡ Manufacturing Factory

    TALK TO OUR EXPERT​

    Загрузите наш последний каталог продукции

    ОБЩАЙТЕСЬ С НАШИМ ЭКСПЕРТОМ

    • Мы свяжемся с вами в течение 12 часов
    • Не волнуйтесь, мы тоже ненавидим спам!

    20

    лет опыта

    50+

    Страны и регионы

    500 +

    Клиентов

    30,000

    ㎡ Производственная фабрика

    Download Our Latest Product Catalogue

    Download Our Latest Product Catalogue

    CONTACT US

    Download Our Catalog

    Surge-Protection-Device-SPD-Catalog-Datasheet-PDF
    HIITIO logo full 300

    Talk to us now

    What products are you interested in?
    Just in case we can't get back to you in time