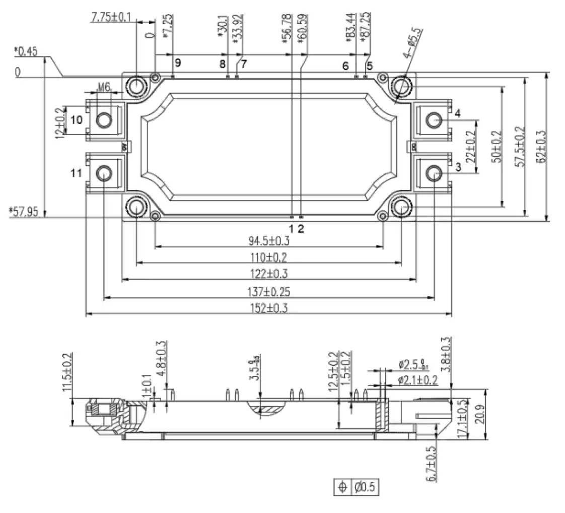
The HCG600FC170D3K4G1 is a robust 1700V 600A chopper module optimized for high-power applications. Encased in an E6 package with built-in free-wheeling diode (FWD) and NTC thermistor, it leverages advanced 1700V trench gate and field stop technology for minimal switching losses and superior short circuit endurance. This module is engineered for reliability in challenging environments like renewable energy systems.
| Parameter | Symbol | Condition | Value | Unit |
|---|---|---|---|---|
| Collector-Emitter Voltage | VCES | VGE=0V, Tvj=25°C | 1700 | V |
| DC Collector Current | IC | TC=105°C, Tvj max=175°C | 600 | A |
| Peak Collector Current | ICM | tp=1ms | 1200 | A |
| Gate-Emitter Peak Voltage | VGES | – | ±20 | V |
| Total Power Dissipation | Ptot | TC=25°C, Tvj max=175°C | 3570 | W |
| Repetitive Peak Reverse Voltage | VRRM | Tvj=25°C | 1700 | V |
| Continuous DC Forward Current | IF | – | 600 | A |
| Repetitive Peak Forward Current | IFRM | tp=1ms | 1200 | A |
| I²t-Value | I²t | VR=0V, tp=10ms, Tvj=125°C | 34000 | A²s |
| IGBT Short Circuit Withstand Time | tpsc | – | 10 | μs |
| Maximum Junction Temperature | Tvj max | – | 175 | °C |
| Operating Junction Temperature | Tvj op | – | -40 to 150 | °C |
| Storage Temperature | Tstg | – | -40 to 125 | °C |


HIITIO® was established in 2018 as a result of Hecheng Electric introducing a mature R&D team. HIITIO specializes in producing high-voltage DC electrical devices for EV, solar energy systems, and energy storage applications.
Solution
Support
WhatsApp us
Years of experience
Countries & Areas
Customers
㎡ Manufacturing Factory
лет опыта
Страны и регионы
Клиентов
㎡ Производственная фабрика
Download Our Catalog