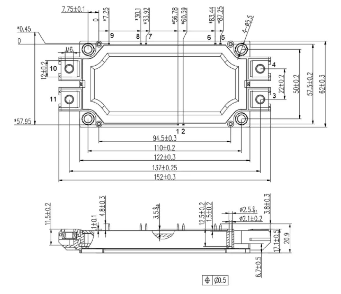
The HCG300FH170D3K4 is a high-performance IGBT module designed with a 1700V trench gate and field stop structure, featuring integrated freewheeling diode (FWD) and NTC thermistor. With a rated collector current of 300A, it provides low switching loss, high reliability, and excellent short-circuit withstand capability.
| Parameter | Symbol | Condition | Value | Unit |
|---|---|---|---|---|
| Collector-emitter voltage | VCES | VGE=0V,Tvj=25℃ | 1700 | V |
| DC collector current | lc | Tc=100℃,Tvjmax=175℃ | 300 | A |
| Peak collector current | ICM | tp=1ms | 600 | A |
| Gate-emitter peak voltage | VGES | ±20 | V | |
| Total power dissipation | Ptot | Tc=25℃,Tvjmax=175℃ | 1765 | W |
| Repetitive peak reverse voltage | VRRM | Tvj=25℃ | 1700 | V |
| Continuous DC forward current | IF | 300 | A | |
| Repetitive peak forward current | IFRM | tp=1ms | 600 | A |
| IGBT short circuit withstand time | tpsc | 10 | μs | |
| Maximum junction temperature | Tvjmax | 175 | ℃ | |
| Operating junction temperature | Tvjop | -40~150 | ℃ | |
| Storage temperature | Tstg | -40~125 | ℃ |


HIITIO® was established in 2018 as a result of Hecheng Electric introducing a mature R&D team. HIITIO specializes in producing high-voltage DC electrical devices for EV, solar energy systems, and energy storage applications.
Solution
Support
WhatsApp us
Years of experience
Countries & Areas
Customers
㎡ Manufacturing Factory
лет опыта
Страны и регионы
Клиентов
㎡ Производственная фабрика
Download Our Catalog