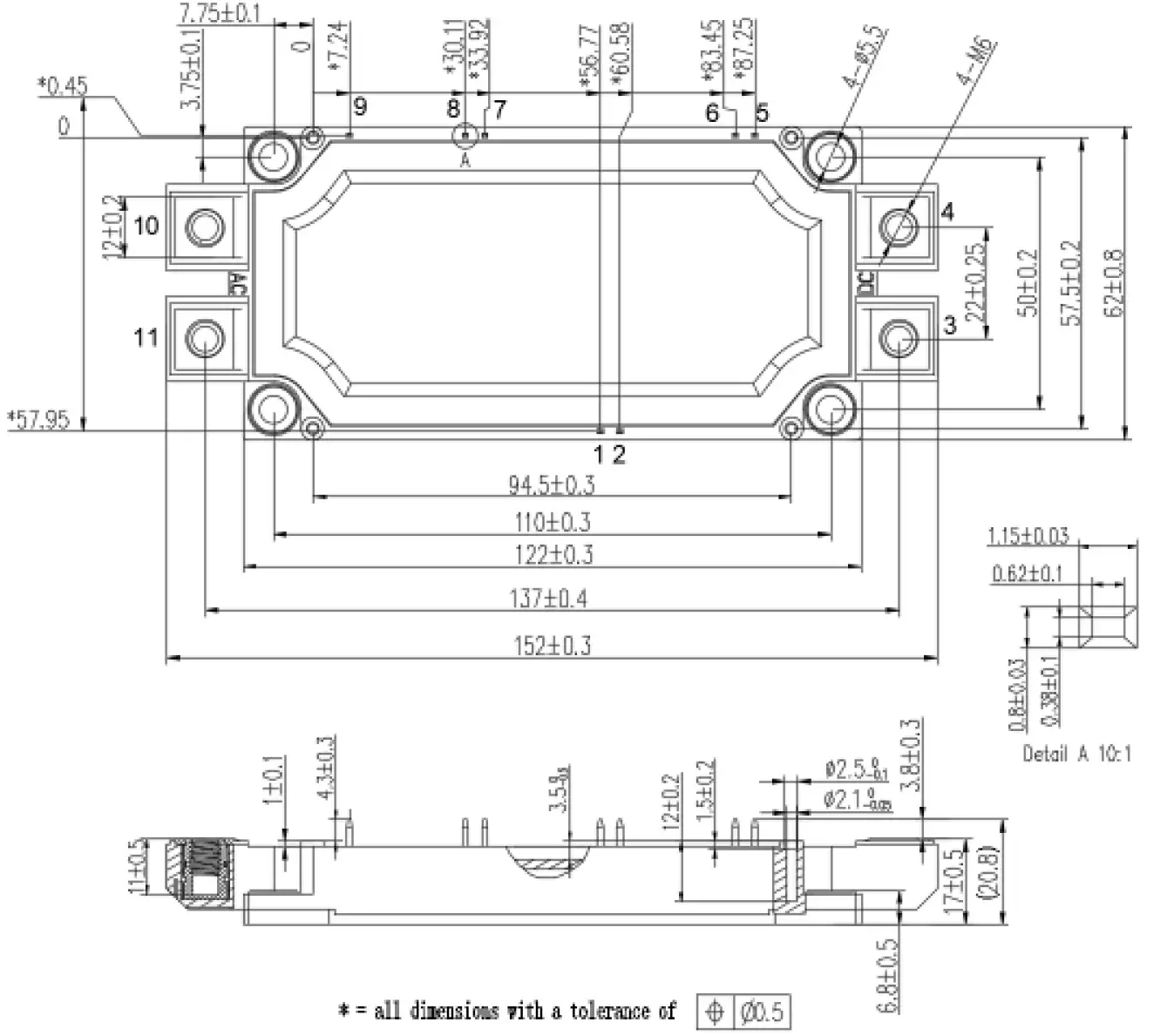
The HCG1200FC170D3K5 is a powerful 1700V 1200A IGBT module with a chopper structure, designed for high-power industrial applications. Featuring an E6 package with integrated free-wheeling diode (FWD) and NTC thermistor, it incorporates advanced 1700V trench gate and field stop technology for low losses, high reliability, and robust short circuit protection. This module is perfect for efficient power management in renewable energy and industrial systems.
| Parameter | Symbol | Condition | Value | Unit |
|---|---|---|---|---|
| Collector-Emitter Voltage | VCES | VGE=0V, Tvj=25°C | 1700 | V |
| DC Collector Current | IC | TC=95°C, Tvj max=175°C | 1200 | A |
| Peak Collector Current | ICM | tp=1ms | 2400 | A |
| Gate-Emitter Peak Voltage | VGES | – | ±20 | V |
| IGBT Maximum Power Dissipation | Ptot | TC=25°C, Tvj max=175°C | 5555 | W |
| Repetitive Peak Reverse Voltage | VRRM | Tvj=25°C | 1700 | V |
| Continuous DC Forward Current (Brake-Chopper Diode) | IF | – | 600 | A |
| Continuous DC Forward Current (Reverse Diode) | IF | – | 200 | A |
| Repetitive Peak Forward Current (Brake-Chopper Diode) | IFRM | tp=1ms | 1200 | A |
| Repetitive Peak Forward Current (Reverse Diode) | IFRM | tp=1ms | 400 | A |
| I²t-Value (Brake-Chopper Diode) | I²t | VR=0V, tp=10ms, Tvj=125°C | 58650 | A²s |
| I²t-Value (Reverse Diode) | I²t | VR=0V, tp=10ms, Tvj=125°C | 6615 | A²s |
| Maximum Junction Temperature | Tvj max | – | 175 | °C |
| Operating Junction Temperature | Tvj op | – | -40 to 150 | °C |
| Storage Temperature | Tstg | – | -40 to 125 | °C |


HIITIO® was established in 2018 as a result of Hecheng Electric introducing a mature R&D team. HIITIO specializes in producing high-voltage DC electrical devices for EV, solar energy systems, and energy storage applications.
Solution
Support
WhatsApp us
Years of experience
Countries & Areas
Customers
㎡ Manufacturing Factory
лет опыта
Страны и регионы
Клиентов
㎡ Производственная фабрика
Download Our Catalog